中文版    英文版
 
 
 
 

JDY-180电插锁(通电开门定制产品)

产品详情

产品介绍

*通电开锁与断电开锁一体设计,IP65防水设计。
*0-3-6-9秒延时闭锁与磁簧管信号输出、具门状态监测功能设计。
*实芯304防锯锁舌,可抵御1000公斤的拉力,坚固且安全的最高保证。
*电磁场运动连接卯榫结构,使圆柱形插销锁舌上下伸缩,开启与闭合的工作方式,比磁力锁、老式电插锁、电控锁、静音锁、电锁扣更丝滑,更安全可靠。
*通电产生磁场让电磁锁开始工作,断电开锁与闭锁、消除残磁一体设计,让每一次启闭都如出厂新的第一次工作,0残磁,绿色环保工业、全回收可再生产品。
*全面替换传统电插锁,老式传统电插锁的结构性问题也一体化解决。

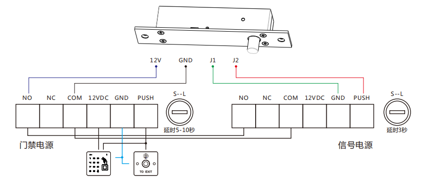
通电开门接线示意图

通电开门接线示意图

产品规格

工作电压: 12-24VDC 锁体尺寸: 180MM*32MM*33.5MM
启动电流: 1.3-0.85A 锁舌长度: 15MM
工作电流: 0.3-0.14A 重 量: 0.34KG
首页 |  关于我们 |  产品中心 |  服务优势 |  技术支持 |  营销网络 |  新闻动态 |  联系我们
地址:广东省惠州市惠阳区秋长街道新旺路11号6楼
深圳市莹德嘉电子有限公司版权所有
备案号:粤ICP备20040136号