China    English
 
 
 
 

JDY-180 electric plug-in lock (customized product for opening doors with power on)

Product Details

Product Introduction

* Integrated design for power on and power-off unlocking, IP65 waterproof design.
Design of 0-3-6-9 second delay locking, magnetic reed switch signal output, and door status monitoring function.
* Solid core 304 anti saw lock tongue, capable of withstanding a pulling force of 1000 kilograms, with the highest guarantee of strength and safety.
The electromagnetic field motion connects the mortise and tenon structure, allowing the cylindrical pin lock tongue to extend and retract up and down, and the opening and closing working mode is smoother and safer than magnetic locks, old-fashioned electric plug locks, electric control locks, silent locks, and electric lock buckles.
* When powered on, it generates a magnetic field that makes the electromagnetic lock start working. When powered off, it unlocks, locks, and eliminates residual magnetism in an integrated design, making every opening and closing work like a new factory first time, zero residual magnetism, green and environmentally friendly industrial, fully recyclable and renewable products.
* Completely replace traditional electric locks, and solve the structural problems of old-fashioned traditional electric locks in an integrated manner.

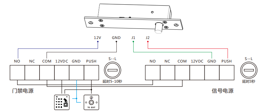
Schematic diagram of power on door opening wiring

Schematic diagram of power on door opening wiring

Product specifications

Working voltage: 12-24VDC Lock body size: 180MM*32MM*33.5MM
Starting current: 1.3-0.85A Lock tongue length: 15MM
Working current: 0.3-0.14A Weight: 0.34KG
Home |  About us |  Product |  Advantage |  Support |  Sales network |  Agent joining |  News |  Contact us
Add:6th Floor,No.11 Xinwang Road ,Qiuchang Sub-district,Huiyang District,Huizhou City,Guangdong Province,P.R.China
Shenzhen Winbest Electronics Co.,Ltd Copyright Home Contact